티스토리 뷰
728x90
반응형
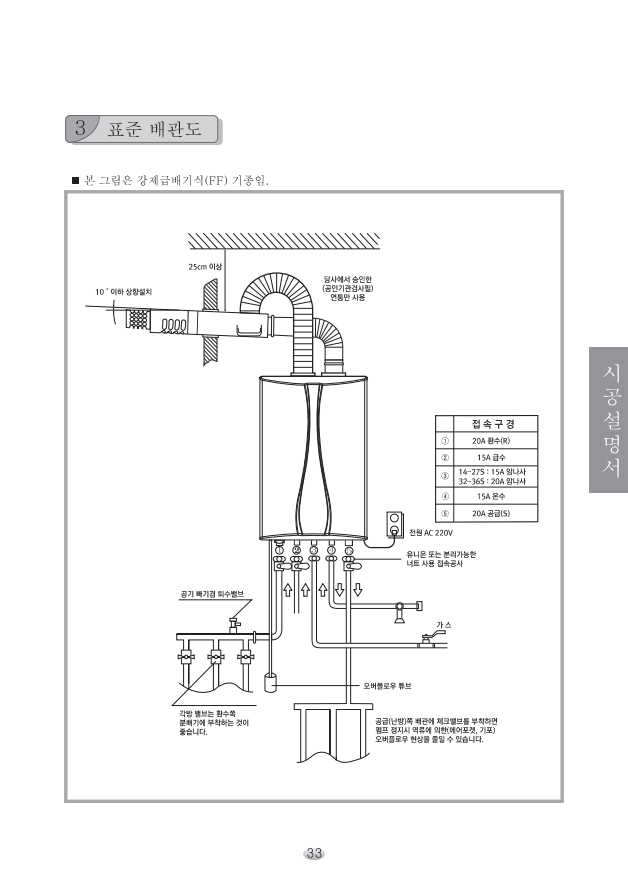
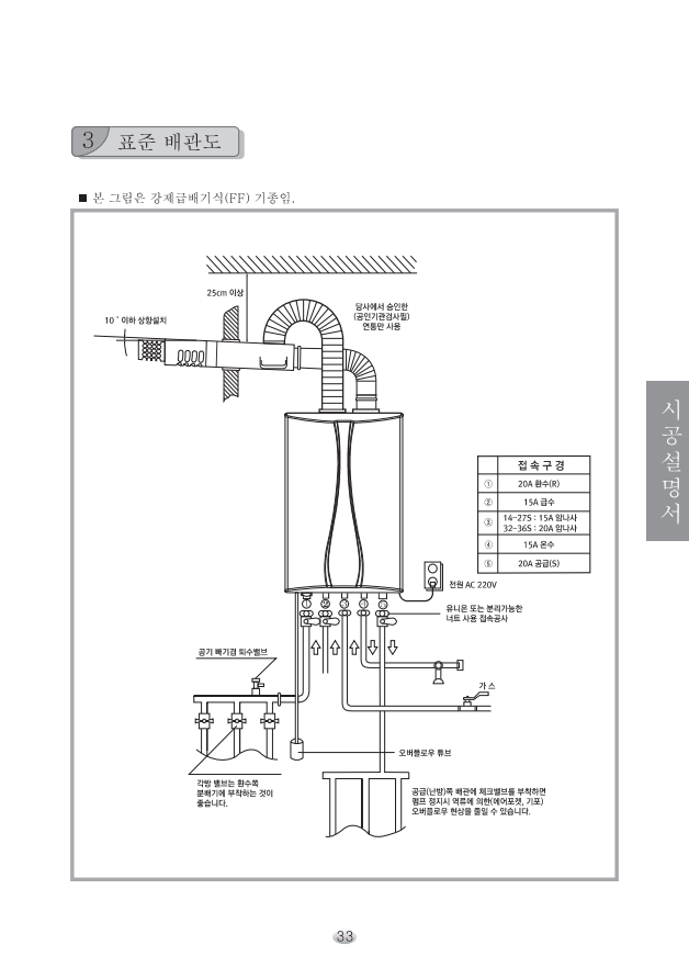
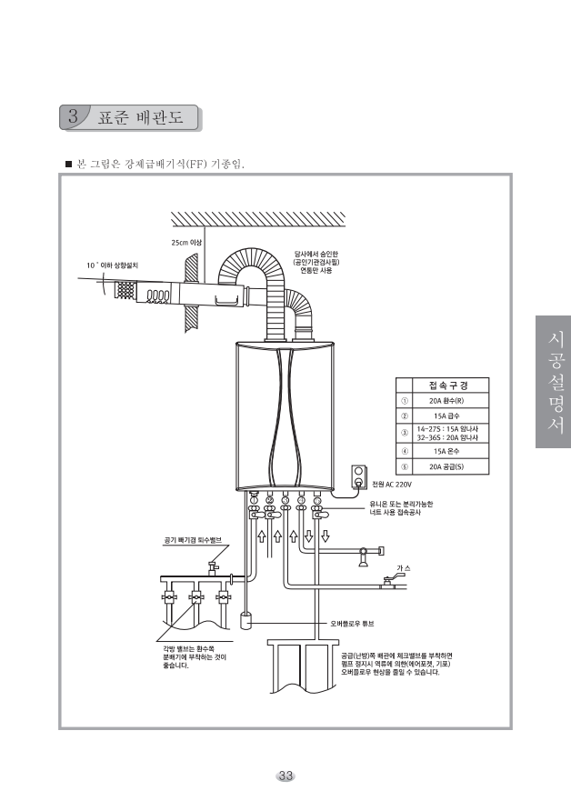
대성 DNC 설명서
대성DNC보일러 메뉴얼입니다.



























































대성보일러 메뉴얼입니다.
작년 이맘때쯤 고장나서 보일러를 대성 DNC로 바꿨다가 메뉴얼을 대성 보일러 홈피에서 다운 받고
대성 DNC 보일러 메뉴얼을 올렸습니다.
필요하신분들에게 도움 되길 바랍니다.
끝.
https://link.coupang.com/a/FGs6d
대성쎌틱 대성보일러 친환경 콘덴싱 도시가스 DNC1 저녹스 보일러 교체 설치 지원금
COUPANG
www.coupang.com
"이 포스팅은 쿠팡 파트너스 활동의 일환으로, 이에 따른 일정액의 수수료를 제공받습니다."
콘덴싱 보일러 설치기 대성DNC!
https://junabba.tistory.com/351
대성셀틱 보일러 S라인 (DNC) 콘덴싱 친환경 보일러 지원금 대전 유성구에서 20만원 받고 설치완료
대성셀틱 보일러 S라인 콘덴싱 DNC 친환경 보일러를 구매하였습니다. 왜? 대성셀틱 보일러로 구매했을까? 우리나라에는 귀뚜라미, 경동, 대성셀틱, 린나이라는 굵직한 보일러 제품들이 많이 있는
junabba.tistory.com
728x90
반응형
'쭌아빠의 생활 지식' 카테고리의 다른 글
| 남자 5000m 계주 시상식 캐나다 세레모니 바닥 쓸기 세레모니! (0) | 2022.02.17 |
|---|---|
| 22년 2월 대전시청 월드컵경기장 코로나 검사 후기 - 아무나 PCR검사를 받을수 없고 아무때나 받을수도 없다. (0) | 2022.02.08 |
| 2021년 연말정산 달라진점! 21년 새로운 연말정산 제도 정리!! (0) | 2022.01.22 |
| 대전 공유 킥보드 플라워로드 왜 이렇게 비싸졌니?? (0) | 2022.01.20 |
| 세면대 마개가 잘 닫히고 안열리면 세면대 마개를 바꾸세요! 직접 교환하기! (0) | 2022.01.16 |
댓글
반응형
